Som de professionelle producenter vil Weipeng® gerne give dig vandtæt mikroomskifter lang levetid. Og vi vil tilbyde dig den bedste service efter salg og rettidig levering. For mere information om 4A 30VDC -nedsænket mikroafbryder, er du velkommen til at kontakte os.
Produkt Funktion


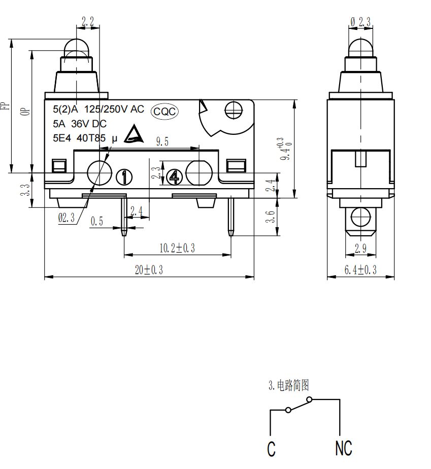
Produkt Vedciple
Vandtæt mikroafbryder er en slags mikroafbryder med vandtæt ydeevne, der kan fungere normalt i vådt eller vand.Vandtæt mikroafbrydere er normalt lavet af vandtætte materialer, der har god tætningspræstation og kan forhindre fugt i at trænge ind i indersiden af kontakten.Afn vandtætte mikroafbryder har lille størrelse og følsom triggerkraft, der er egnet til forskellige kompakte applikationsscenarier.Afn vandtætte mikroafbryder har stabil elektrisk ydeevne og kan opretholde pålidelig kontakt- og afbrydelsesfunktioner i våde og fugtige miljøer.
Produkt Funktion og enpplication
Bilindustri: Vandtæt mikroafbrydere kan bruges i bilviskere, dørkontakter og andre dele og kan arbejde normalt i regnfulde dage eller når de vaskes.
Husholdningsapparater: Vandtæt mikroafbrydere kan bruges i vaskemaskiner, opvaskemaskiner, brusere og andre hjemmeapparater for at sikre deres normale drift i fugtige miljøer.
Produkt Aftails
