Plastic Magnetic Micro Switch er en switch-enhed, der styrer on-off af et kredsløb gennem magnetiske feltsignaler. Dens kerneegenskab er berøringsfri drift, så den har fordelene ved hurtig respons, lang levetid og høj pålidelighed og er meget udbredt inden for industriel automation, sikkerhed, bilindustrien og smarte hjem.
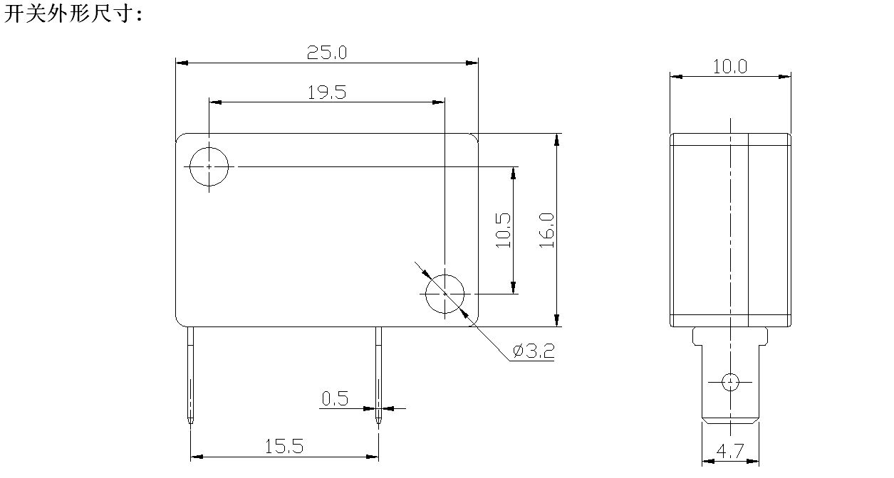
Micro Switch Introduktion
En magnetisk switch er en switch-enhed, der styrer on-off af et kredsløb gennem magnetfeltsignaler. Dens kerneegenskab er berøringsfri drift, så den har fordelene ved hurtig respons, lang levetid og høj pålidelighed og er meget udbredt inden for industriel automation, sikkerhed, bilindustrien og smarte hjem.
Mikroswitchparameter (specifikation)
| Switch tekniske egenskaber: | |||
| PUNKT | Teknisk parameter | Værdi | |
| 1 | Elektrisk vurdering | 5(2)A/10A/16(3)A/21(8)A 250VAC | |
| 2 | Kontakt modstand | ≤30mΩ Startværdi | |
| 3 | Isoleringsmodstand | ≥100MΩ (500VDC) | |
| 4 |
Dielektrisk Spænding |
Mellem ikke-forbundne terminaler |
1000V/0,5mA/60S |
|
Mellem terminaler og metalrammen |
3000V/0,5mA/60S | ||
| 5 | Elektrisk liv | ≥50.000 cyklusser | |
| 6 | Mekanisk liv | ≥1000000 cyklusser | |
| 7 | Driftstemperatur | -25~125℃ | |
| 8 | Driftsfrekvens |
elektrisk: 15 cyklusser Mekanisk: 60 cyklusser |
|
| 9 | Vibrationssikker |
Vibrationsfrekvens: 10~55HZ; Amplitude: 1,5 mm; Tre retninger: 1H |
|
| 10 |
Loddeevne: Mere end 80% af nedsænket del skal dækkes med lodde |
Loddetemperatur: 235±5 ℃ Nedsænkningstid: 2~3S |
|
| 11 | Lodde varmebestandighed |
Dyplodning: 260±5℃ 5±1S Manuel lodning: 300±5℃ 2~3S |
|
| 12 | Sikkerhedsgodkendelser | UL, CSA, VDE, ENEC, TUV, CE, KC, CQC | |
| 13 | Testbetingelser |
Omgivelsestemperatur: 20±5 ℃ Relativ luftfugtighed:65±5%RH Lufttryk: 86~106KPa |
|
Micro Switch funktion og applikation
Micro Switch detaljer
