Som benchmark-modellen af Yueqing Tongda Wire Electric Factorys mikroswitch-serie, har Normally Open Electronic Component Lever Micro Switch "høj følsomhed, ultralang levetid og tilpasningsevne til flere scenarier" som sine kernefordele. Ved at integrere virksomhedens 35 års ekspertise inden for switchproduktion, er den blevet en vigtig kontrolkomponent inden for husholdningsapparater, bilelektronik, industriel automation og andre områder takket være dens minimale kontaktgab og hurtige handlingsmekanisme. Dens ydeevne og pålidelighed er blevet certificeret af flere autoritative organisationer verden over, hvilket sikrer dens mainstream-position på nichemarkedet.
Micro Switch Introduktion
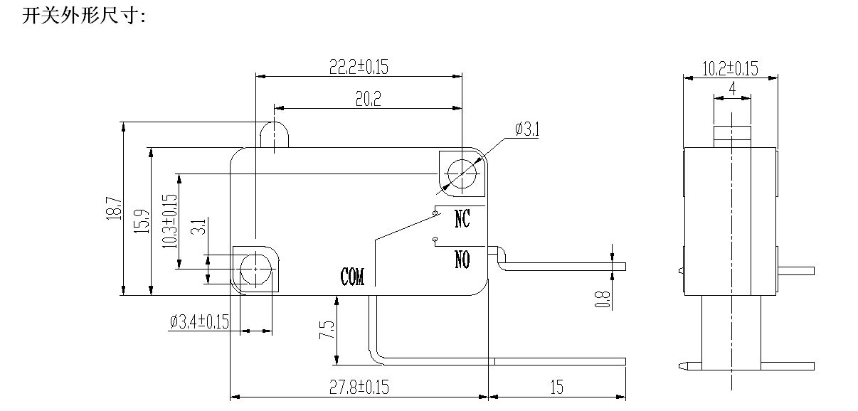
HK-14-serien tilbyder meget fleksible tilpasningsmuligheder for at imødekomme differentierede applikationskrav. Betjeningskraften kan tilpasses (mindre end 5,0 N i håndtagsfri tilstand, standard 30±15 gf), med et driftsslagområde på 0,6-1,5 mm, velegnet til forskellige udløserkraft- og forskydningsscenarier. Håndtagstyper kan tilpasses, herunder lige, bøjede og rullehåndtag, som kan matche forskellige mekaniske transmissionsstrukturer. Kontaktformularer dækker hele spektret af SPDT (1NO 1NC), NO og NC.
Mikroswitchparameter (specifikation)
| Switch tekniske egenskaber: | |||
| PUNKT | Teknisk parameter | Værdi | |
| 1 | Elektrisk vurdering | 5(2)A/10A/16(3)A/21(8)A 250VAC | |
| 2 | Kontakt modstand | ≤30mΩ Startværdi | |
| 3 | Isoleringsmodstand | ≥100MΩ (500VDC) | |
| 4 |
Dielektrisk Spænding |
Mellem ikke-forbundne terminaler |
1000V/0,5mA/60S |
|
Mellem terminaler og metalrammen |
3000V/0,5mA/60S | ||
| 5 | Elektrisk liv | ≥50.000 cyklusser | |
| 6 | Mekanisk liv | ≥1000000 cyklusser | |
| 7 | Driftstemperatur | -25~125℃ | |
| 8 | Driftsfrekvens |
elektrisk: 15 cyklusser Mekanisk: 60 cyklusser |
|
| 9 | Vibrationssikker |
Vibrationsfrekvens: 10~55HZ; Amplitude: 1,5 mm; Tre retninger: 1H |
|
| 10 |
Loddeevne: Mere end 80% af nedsænket del skal dækkes med lodde |
Loddetemperatur: 235±5 ℃ Nedsænkningstid: 2~3S |
|
| 11 | Lodde varmebestandighed |
Dyplodning: 260±5℃ 5±1S Manuel lodning: 300±5℃ 2~3S |
|
| 12 | Sikkerhedsgodkendelser | UL, CSA, VDE, ENEC, TUV, CE, KC, CQC | |
| 13 | Testbetingelser |
Omgivelsestemperatur: 20±5 ℃ Relativ luftfugtighed:65±5%RH Lufttryk: 86~106KPa |
|
Micro Switch funktion og applikation
Micro Switch detaljer
