Som benchmark-modellen af Yueqing Tongda Wire Electric Factorys mikroafbryderserie har mikrobølgeovnen og vaskemaskinens mikroswitch "høj følsomhed, ultralang levetid og tilpasningsevne til flere scenarier" som sine kernefordele. Ved at integrere virksomhedens 35 års ekspertise inden for switchproduktion, er den blevet en vigtig kontrolkomponent inden for husholdningsapparater, bilelektronik, industriel automation og andre områder takket være dens minimale kontaktgab og hurtige handlingsmekanisme. Dens ydeevne og pålidelighed er blevet certificeret af flere autoritative organisationer verden over, hvilket sikrer dens mainstream-position på nichemarkedet.
Micro Switch Introduktion
Produktet har opnået store globale sikkerhedscertificeringer, herunder UL, C-UL, ENEC, VDE, CE, CB, TUV, CQC og KC, overholder IEC 61058-standarden og opfylder kravene til markedsadgang i regioner som Europa, Amerika og Asien-Stillehavsområdet. Virksomheden har opnået ISO9001 og IATF 16949 kvalitetsstyringssystemcertificeringer og implementerer strengt RoHS- og REACH-miljødirektiverne, hvilket sikrer raffineret kontrol gennem hele produktionsprocessen. Med 6 nationale opfindelsespatenter og 48 brugsmodelpatenter opnår HK-14-serien brancheførende niveauer af pålidelighed og konsistens.
Retningslinjer for installation og brug
Ved installation skal kontakten monteres på en flad overflade og fastgøres med en flad skive eller fjederskive for at forhindre funktionsfejl eller kappeskader forårsaget af ujævne overflader. Vælg modeller baseret på miljøet: til fugtige eller støvede forhold anbefales det at bruge en forseglet tilpasset version for at forbedre beskyttelsen. Påfør ikke smøreolie på knappen eller aktuatoren for at forhindre fastklæbning af kontakten, funktionsfejl eller endda udbrændthed. Under opbevaring skal du opbevare produktet på et tørt, ventileret område, beskyttet mod regn eller sne, og undgå høj temperatur og fugtighed, der kan forårsage ældning af komponenter, og sikre, at produktet bevarer sin oprindelige ydeevne.
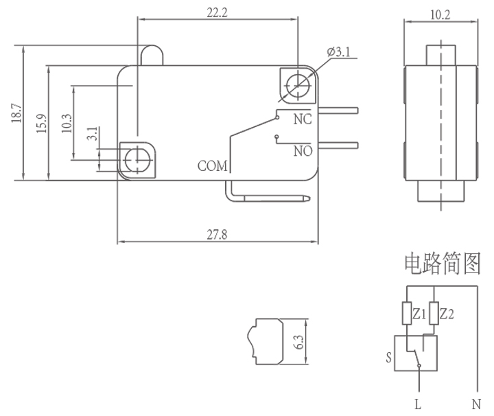
Mikroswitchparameter (specifikation)
| Switch tekniske egenskaber: | |||
| PUNKT | Teknisk parameter | Værdi | |
| 1 | Elektrisk vurdering | 5(2)A/10A/16(3)A/21(8)A 250VAC | |
| 2 | Kontakt modstand | ≤30mΩ Startværdi | |
| 3 | Isoleringsmodstand | ≥100MΩ (500VDC) | |
| 4 |
Dielektrisk Spænding |
Mellem ikke-forbundne terminaler |
1000V/0,5mA/60S |
|
Mellem terminaler og metalrammen |
3000V/0,5mA/60S | ||
| 5 | Elektrisk liv | ≥50.000 cyklusser | |
| 6 | Mekanisk liv | ≥1000000 cyklusser | |
| 7 | Driftstemperatur | -25~125℃ | |
| 8 | Driftsfrekvens |
elektrisk: 15 cyklusser Mekanisk: 60 cyklusser |
|
| 9 | Vibrationssikker |
Vibrationsfrekvens: 10~55HZ; Amplitude: 1,5 mm; Tre retninger: 1H |
|
| 10 |
Loddeevne: Mere end 80% af nedsænket del skal dækkes med lodde |
Loddetemperatur: 235±5 ℃ Nedsænkningstid: 2~3S |
|
| 11 | Lodde varmebestandighed |
Dyplodning: 260±5℃ 5±1S Manuel lodning: 300±5℃ 2~3S |
|
| 12 | Sikkerhedsgodkendelser | UL, CSA, VDE, ENEC, TUV, CE, KC, CQC | |
| 13 | Testbetingelser |
Omgivelsestemperatur: 20±5 ℃ Relativ luftfugtighed:65±5%RH Lufttryk: 86~106KPa |
|
Micro Switch funktion og applikation
Micro Switch detaljer
