Som et repræsentativt produkt fra Yueqing Tongda Wire Electric Factory, der inkorporerer integrationen af kernestandardisering og tilpasning, er Micro Switches til Juicers støvsugere printere og andre D-enheder designet med kerneprincipperne om "stabilitet, pålidelighed og scenekompatibilitet." Det inkorporerer 35 års virksomhedens ekspertise inden for switchproduktion, der opnår flere optimeringer i elektrisk ydeevne, beskyttelsesniveauer og brugeroplevelse. Switchen er bredt anvendelig til scenarier som smart home-strømdistribution, industrielt hjælpeudstyr og små medicinske instrumenter, hvilket gør det til en foretrukken kredsløbskontrolkomponent, der balancerer universalitet med tilpasningspotentiale.
Micro SwitchIndledning
Følgende er vigtige produktionstrin, som købere skal forstå for at vurdere produktkvaliteten:
1. Komponentfremstilling: Præcis bearbejdede metalkontakter og fjedre; slidstærkt hus (plast/metal materialer).
2. Montering: Nøjagtig samling af fjedre, kontakter og aktuatorer for at undgå at påvirke ydeevnen.
3. Test: Streng test (tusindvis af pressetest, elektrisk kontinuitetstest) for at sikre pålidelighed.
4. Emballage: Beskyttende emballage til nem transport, med tydelig mærkning af specifikationer.
Micro SwitchAnvendelse
Mikrokontakter er meget udbredte og pålidelige i ydeevne, hovedsageligt anvendt i:
- Husholdningsapparater: køleskabslamper, mikroovnsdørlåse, kontakter til vaskemaskinens låg og timere til brødrister.
- Industrielt udstyr: kraftige modeller velegnet til transportbånd, maskineri og kontrolpaneler (støvtætte og fugttætte).
- Køretøjsområde: vinduesviskere, indikatorer for åben dør — i stand til at modstå vibrationer og ekstreme temperaturer.
- Elektroniske enheder: miniaturekontakter til fjernbetjeninger og spilcontrollere (responsive og langtidsholdbare).
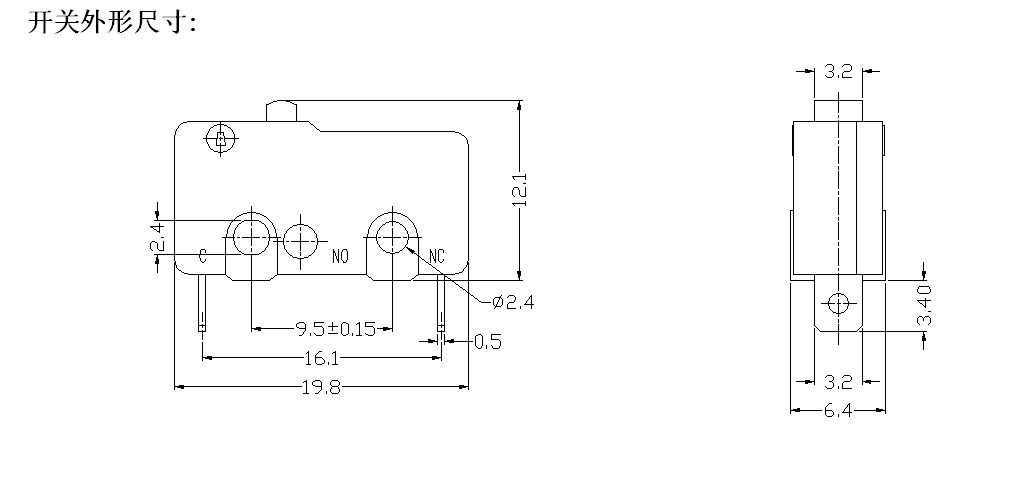
Micro Switch Specifikation
| Switch tekniske egenskaber: | |||
| PUNKT | Teknisk parameter | Værdi | |
| 1 | Elektrisk vurdering | 5(2)A 125V/250VAC 10(3)125V/250VAC | |
| 2 | Kontakt modstand | ≤50mΩ Startværdi | |
| 3 | Isoleringsmodstand | ≥100MΩ (500VDC) | |
| 4 |
Dielektrisk Spænding |
Mellem ikke-forbundne terminaler |
500V/0,5mA/60S |
| Mellem terminaler og metalrammen |
1500V/0,5mA/60S | ||
| 5 | Elektrisk liv | ≥10.000 cyklusser | |
| 6 | Mekanisk liv | ≥100000 cyklusser | |
| 7 | Driftstemperatur | -25~125℃ | |
| 8 | Driftsfrekvens | Elektrisk: 15 cyklusser Mekanisk: 60 cyklusser |
|
| 9 | Vibrationssikker | Vibrationsfrekvens:10~55HZ; Amplitude: 1,5 mm; Tre retninger: 1H |
|
| 10 | Loddeevne: Mere end 80% af nedsænket del skal dækkes med lodde |
Loddetemperatur: 235±5℃ Nedsænkningstid: 2~3S |
|
| 11 | Lodde varmebestandighed | Dyplodning: 260±5℃ 5±1S Manuel lodning: 300±5℃ 2~3S |
|
| 12 | Sikkerhedsgodkendelser | UL, CSA, VDE, ENEC, CE | |
| 13 | Testbetingelser | Omgivelsestemperatur: 20±5 ℃ Relativ luftfugtighed:65±5%RH Lufttryk: 86~106KPa |
|
Tongda Wire Electric Micro USB Inline Power Switch Detaljer


