Som benchmark-modellen af Yueqing Tongda Wire Electric Factorys mikroswitch-serie, har HK-14 High-Temperature 16A 250V Current Micro Switch "høj følsomhed, ultra-lang levetid og multi-scenarie tilpasningsevne" som sine kernefordele. Ved at integrere virksomhedens 35 års ekspertise inden for switchproduktion, er den blevet en vigtig kontrolkomponent inden for husholdningsapparater, bilelektronik, industriel automation og andre områder takket være dens minimale kontaktgab og hurtige handlingsmekanisme. Dens ydeevne og pålidelighed er blevet certificeret af flere autoritative organisationer verden over, hvilket sikrer dens mainstream-position på nichemarkedet.
Micro Switch Introduktion
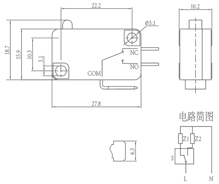
HK-14-serien giver meget fleksible tilpasningsmuligheder for at opfylde kravene til differentierede applikationer. Betjeningskraften kan tilpasses (mindre end 5,0N i en tilstand uden håndtag, normalt 30±15gf), med et betjeningsslagområde på 0,6 til 1,5 mm, der rummer forskellige triggerkraft- og forskydningsscenarier. Håndtagstyper kan tilpasses, herunder lige håndtag, bøjede håndtag og rullehåndtag, så de passer til forskellige mekaniske transmissionsstrukturer. Kontakttyper omfatter SPDT (1NO+1NC), NO og NC, der dækker hele spektret, for at opfylde kravene til enkeltkontrol, interlock og andre kredsløbsdesignbehov.
Retningslinjer for installation og brug
Ved installation skal kontakten monteres på en flad overflade og fastgøres med en flad skive eller fjederskive for at forhindre funktionsfejl eller kappeskader forårsaget af ujævne overflader. Vælg modeller baseret på miljøet: til fugtige eller støvede forhold anbefales det at bruge en forseglet tilpasset version for at forbedre beskyttelsen. Påfør ikke smøreolie på knappen eller aktuatoren for at forhindre fastklæbning af kontakten, funktionsfejl eller endda udbrændthed. Under opbevaring skal du opbevare produktet på et tørt, ventileret område, beskyttet mod regn eller sne, og undgå høj temperatur og fugtighed, der kan forårsage ældning af komponenter, og sikre, at produktet bevarer sin oprindelige ydeevne.
Mikroswitchparameter (specifikation)
| Switch tekniske egenskaber: | |||
| PUNKT | Teknisk parameter | Værdi | |
| 1 | Elektrisk vurdering | 5(2)A/10A/16(3)A/21(8)A 250VAC | |
| 2 | Kontakt modstand | ≤30mΩ Startværdi | |
| 3 | Isoleringsmodstand | ≥100MΩ (500VDC) | |
| 4 |
Dielektrisk Spænding |
Mellem ikke-forbundne terminaler |
1000V/0,5mA/60S |
|
Mellem terminaler og metalrammen |
3000V/0,5mA/60S | ||
| 5 | Elektrisk liv | ≥50.000 cyklusser | |
| 6 | Mekanisk liv | ≥1000000 cyklusser | |
| 7 | Driftstemperatur | -25~125℃ | |
| 8 | Driftsfrekvens |
elektrisk: 15 cyklusser Mekanisk: 60 cyklusser |
|
| 9 | Vibrationssikker |
Vibrationsfrekvens: 10~55HZ; Amplitude: 1,5 mm; Tre retninger: 1H |
|
| 10 |
Loddeevne: Mere end 80% af nedsænket del skal dækkes med lodde |
Loddetemperatur: 235±5 ℃ Nedsænkningstid: 2~3S |
|
| 11 | Lodde varmebestandighed |
Dyplodning: 260±5℃ 5±1S Manuel lodning: 300±5℃ 2~3S |
|
| 12 | Sikkerhedsgodkendelser | UL, CSA, VDE, ENEC, TUV, CE, KC, CQC | |
| 13 | Testbetingelser |
Omgivelsestemperatur: 20±5 ℃ Relativ luftfugtighed:65±5%RH Lufttryk: 86~106KPa |
|
Micro Switch funktion og applikation
Micro Switch detaljer
