Som benchmark-modellen af Yueqing Tongda Wire Electric Factorys mikroswitch-serie har HK-14 16A 250VAC T125 Universal Pentium Supor riskogertilbehør mikroswitch "høj følsomhed, ultralang levetid og tilpasningsevne til flere scenarier" som sine kernefordele. Ved at integrere virksomhedens 35 års ekspertise inden for switchproduktion, er den blevet en vigtig kontrolkomponent inden for husholdningsapparater, bilelektronik, industriel automation og andre områder takket være dens minimale kontaktgab og hurtige handlingsmekanisme. Dens ydeevne og pålidelighed er blevet certificeret af flere autoritative organisationer verden over, hvilket sikrer dens mainstream-position på nichemarkedet.
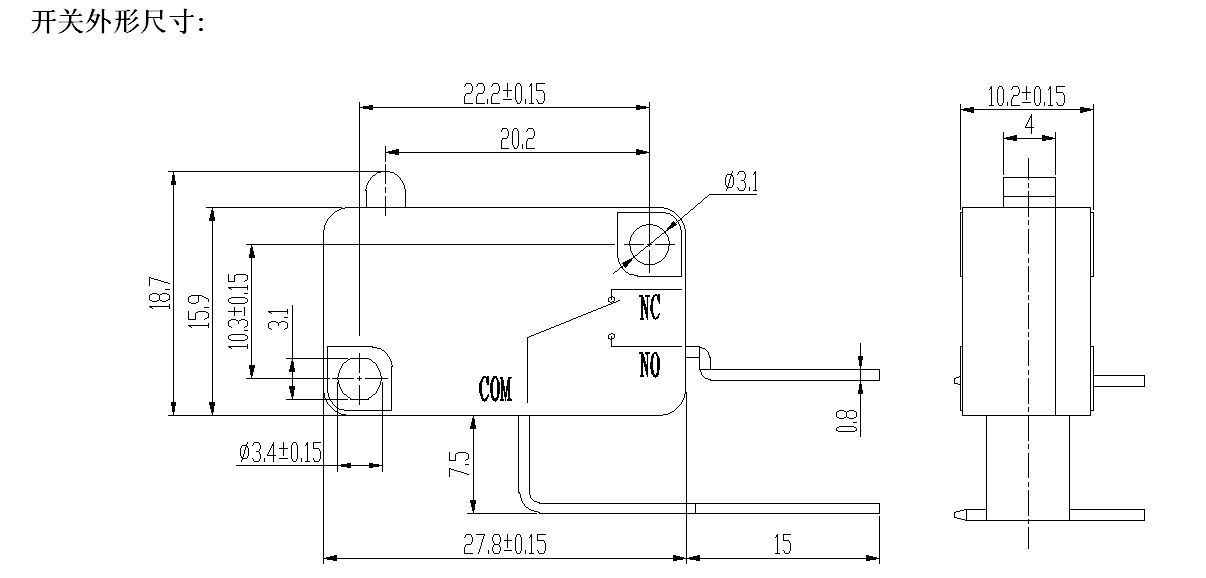
Micro Switch Introduktion
HK-14 demonstrerer stærk konkurrenceevne i tekniske specifikationer og er særligt velegnet til højfrekvente, højpræcisionskontrolkrav. Kontakterne er lavet af stærkt ledende legeringsmaterialer med en indledende kontaktmodstand på ≤30mΩ, der er i stand til stabilt at bære strømme fra 5A til 25A, og er kompatible med flere spændingsscenarier, herunder AC 125V/250V og DC 12V/24V, der opfylder forskellige strømbehov fra små husholdningsapparater til industrielt udstyr.
Med hensyn til udløsningsydelse anvender produktet en snap-mekanisme, med et betjeningsslag på kun 0,5-1,6 mm og betjeningskraft styret mellem 0,25-4N. Det giver hurtig udløsende respons og klar feedback, hvilket effektivt undgår problemer med "falsk udløsning" og "udløserforsinkelse." Levetiden overstiger langt industrinormer: Den mekaniske levetid overstiger 1 million cyklusser, og den elektriske levetid når over 50.000 cyklusser, hvilket muliggør langsigtet stabil drift i højfrekvente brugsscenarier såsom mikrobølgeovne og bilelektronik.
Den miljømæssige tilpasningsevne er lige så imponerende. Produktet kan fungere i et bredt temperaturområde fra -25℃ til 125℃, bestå en tre-akset vibrationstest ved 10-55Hz med en amplitude på 1,5 mm, opretholde en isolationsmodstand på ≥100MΩ (500VDC), og modstå en spænding på 1000V AC i industrielle klemmer eller værksteds-ydeevne, selv med vibrationsevne. høje temperaturforhold i et bilmotorrum.
Med udgangspunkt i Leqing Tongdas kvalitetskontrolsystem i fuld proces gennemgår HK-14 flere strenge tests fra råmaterialer til færdige produkter:
Råmaterialetestning: Spektralanalyse af kontaktmateriale, fjederstykkes elasticitet og udmattelsestest og ældningsmodstandstest for kappe for at sikre, at kernekomponenter opfylder bilstandarder;
Produktionstestning: Fuldt automatiserede præcisionssamlingslinjer udstyret med visuelle inspektionssystemer, der kontrollerer nøgledimensionelle fejl inden for ±0,01 mm for at sikre ensartet aktiveringsnøjagtighed;
Test af færdige produkter: 100 % beståelsesrate for 10 tests, inklusive høj- og lavtemperaturcykler (-40 ℃ til 120 ℃), 48-timers saltspraykorrosion, millioner af pressecyklusser, vibrations- og slagtest.
Mikroswitchparameter (specifikation)
| Switch tekniske egenskaber: | |||
| PUNKT | Teknisk parameter | Værdi | |
| 1 | Elektrisk vurdering | 5(2)A/10A/16(3)A/21(8)A 250VAC | |
| 2 | Kontakt modstand | ≤30mΩ Startværdi | |
| 3 | Isoleringsmodstand | ≥100MΩ (500VDC) | |
| 4 |
Dielektrisk Spænding |
Mellem ikke-forbundne terminaler |
1000V/0,5mA/60S |
| Mellem terminaler og metalrammen |
3000V/0,5mA/60S | ||
| 5 | Elektrisk liv | ≥50.000 cyklusser | |
| 6 | Mekanisk liv | ≥1000000 cyklusser | |
| 7 | Driftstemperatur | -25~125℃ | |
| 8 | Driftsfrekvens | elektrisk: 15 cyklusser Mekanisk: 60 cyklusser |
|
| 9 | Vibrationssikker | Vibrationsfrekvens: 10~55HZ; Amplitude: 1,5 mm; Tre retninger: 1H |
|
| 10 | Loddeevne: Mere end 80% af nedsænket del skal dækkes med lodde |
Loddetemperatur: 235±5 ℃ Nedsænkningstid: 2~3S |
|
| 11 | Lodde varmebestandighed | Dyplodning: 260±5℃ 5±1S Manuel lodning: 300±5℃ 2~3S |
|
| 12 | Sikkerhedsgodkendelser | UL, CSA, VDE, ENEC, TUV, CE, KC, CQC | |
| 13 | Testbetingelser | Omgivelsestemperatur: 20±5 ℃ Relativ luftfugtighed:65±5%RH Lufttryk: 86~106KPa |
|
Micro Switch funktion og applikation
Micro Switch detaljer

